Product Summary
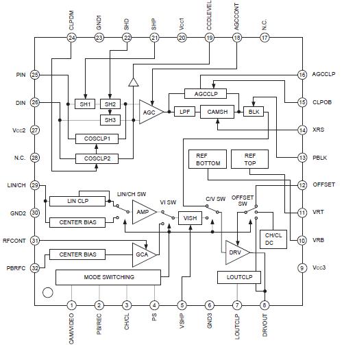
The A2006Q is a Digital CCD Camera Head Amplifier. This IC provides the following functions: correlated double sampling, AGC for the CCD signal, GCA for the lowband chroma signal, AMP for high-band chroma and line signals, A/D sample and hold, blanking, A/D reference voltage, and an output driver. The applications of the A2006Q include Digital CCD cameras.
Parametrics
A2006Q absolute maximum ratings: (1)Supply voltage, VCC: 14 V; (2)Operating temperature, Topr: -20 to +75℃; (3)Storage temperature, Tstg: -65 to +150℃; (4)Allowable power dissipation, PD: 640 mW.
Features
A2006Q features: (1)High sensitivity made possible by a high-gain AGC amplifier; (2)Blanking function provided for the purpose of calibrating the CCD output signal black level; (3)Regulator output pin provided for A/D converter reference voltage; (4)Built-in GCA and AMP for amplifying video signals (chroma and line signals) from external sources; (5)Built-in sample-and-hold circuits (for camera signals and for video signals) required by external A/D converters.
Diagrams

![]() |
![]() A2004 |
![]() Other |
![]() |
![]() Data Sheet |
![]() Negotiable |
|
||||||||||||
![]() |
![]() A2003 |
![]() Other |
![]() |
![]() Data Sheet |
![]() Negotiable |
|
||||||||||||
![]() |
![]() A200 |
![]() Flambeau |
![]() Enclosures, Boxes, & Cases 8-1/4x4-1/2x1-3/8 (0.791cf)18Cmprtmnts |
![]() Data Sheet |
![]()
|
|
||||||||||||
(China (Mainland))









