Product Summary
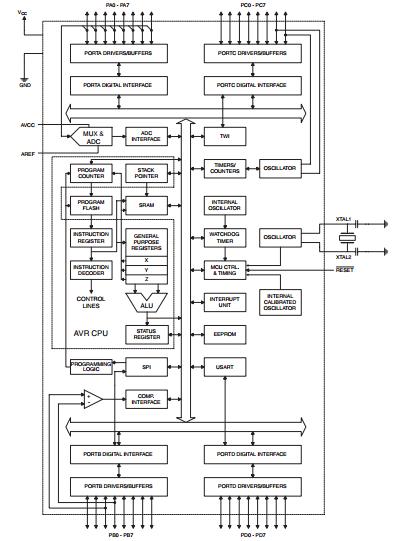
The ATMEGA8535L-8AI is a low-power CMOS 8-bit microcontroller based on the AVR enhanced RISC architecture. By executing instructions ina single clock cycle, the ATMEGA8535L-8AI achieves throughputs approaching 1 MIPS per MHz allowing the system designer to optimize power consumption versus processing speed.
Parametrics
ATMEGA8535L-8AI absolute maximum ratings: (1)Operating Temperature: -55℃ to +125℃; (2)Storage Temperature: -65℃ to +150℃; (3)Voltage on any Pin except RESET with respect to Ground: -0.5V to VCC +0.5V; (4)Voltage on RESET with respect to Ground: -0.5V to +13.0V; (5)Maximum Operating Voltage: 6.0V; (6)DC Current per I/O Pin: 40.0 mA; (7)DC Current VCCand GND Pins: 200.0 PDIP og 400 mA TQFP/MLF/PLCCmA.
Features
ATMEGA8535L-8AI features: (1)High-performance, Low-power AVR 8-bit Microcontroller; (2)Advanced RISC Architecture, 130 Powerful Instructions-Most Single Clock Cycle Execution; 32 x 8 General Purpose Working Registers; Fully Static Operation; Up to 16 MIPS Throughput at 16 MHz; On-chip 2-cycle Multiplier; (3)Nonvolatile Program and Data Memories; (4)Peripheral Features, Two 8-bit Timer/Counters with Separate Prescalers and Compare Modes; One 16-bit Timer/Counter with Separate Prescaler, Compare Mode, and Capture Mode; Real Time Counter with Separate Oscillator; Four PWM Channels; 8-channel, 10-bit ADC; Byte-oriented Two-wire Serial Interface; Programmable Serial USART; Master/Slave SPI Serial Interface; Programmable Watchdog Timer with Separate On-chip Oscillator; On-chip Analog Comparator; (5)I/O and Packages, 32 Programmable I/O Lines; 40-pin PDIP, 44-lead TQFP, 44-lead PLCC, and 44-pad QFN/MLF; (6)Operating Voltages, 2.7 - 5.5V for ATmega8535L; (7)Speed Grades, 0 - 8 MHz for ATmega8535L.
Diagrams

| Image | Part No | Mfg | Description | ![]() |
Pricing (USD) |
Quantity | ||||
|---|---|---|---|---|---|---|---|---|---|---|
![]() |
![]() ATMEGA8535L-8AI |
![]() Atmel |
![]() 8-bit Microcontrollers (MCU) AVR 8K FLSH 512 EE ADC 3V-8MHZ |
![]() Data Sheet |
![]() Negotiable |
|
||||
| Image | Part No | Mfg | Description | ![]() |
Pricing (USD) |
Quantity | ||||
![]() |
![]() ATMEG163POD |
![]() |
![]() IC AVR MCU ICE30 40PIN MEGAAVR |
![]() Data Sheet |
![]() Negotiable |
|
||||
![]() |
![]() ATmega103 |
![]() Other |
![]() |
![]() Data Sheet |
![]() Negotiable |
|
||||
![]() |
![]() ATMEGA103-6AC |
![]() Atmel |
![]() 8-bit Microcontrollers (MCU) TQFP-64 128K FLASH 5 |
![]() Data Sheet |
![]() Negotiable |
|
||||
![]() |
![]() ATMEGA103-6AI |
![]() |
![]() IC MCU 128K 6MHZ A/D IT 64TQFP |
![]() Data Sheet |
![]() Negotiable |
|
||||
![]() |
![]() ATMEGA103-6AU |
![]() Other |
![]() |
![]() Data Sheet |
![]() Negotiable |
|
||||
![]() |
![]() ATmega103L |
![]() Other |
![]() |
![]() Data Sheet |
![]() Negotiable |
|
||||
(China (Mainland))












