Product Summary
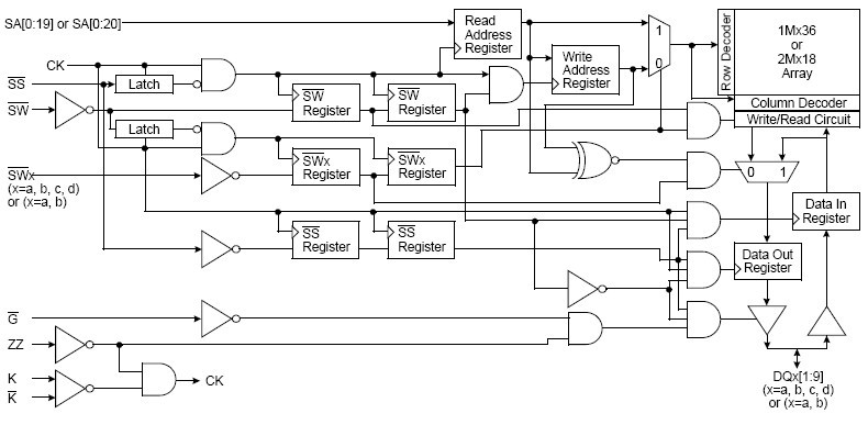
The K7P323666M-HC30 is a 1Mx36 Synchronous Pipelined SRAM.
Parametrics
K7P323666M-HC30 absolute maximum ratings: (1)Core Supply Voltage Relative to VSS, VDD: -0.5 to 3.13 V; (2)Output Supply Voltage Relative to VSS, VDDQ; -0.5 to 2.4 V; (3)Voltage on any I/O pin Relative to VSS, VIN: -0.5 to VDDQ+0.5 (2.4V MAX) V; (4)Output Short-Circuit Current, IOUT: 25 mA; (5)Operating Temperature, TOPR: 0 to 70℃; (6)Storage Temperature, TSTG: -55 to 125℃.
Features
K7P323666M-HC30 features: (1)1Mx36 or 2Mx18 Organizations; (2)2.5V Core/1.5V Output Power Supply (1.9V max VDDQ); (3)HSTL Input and Output Levels; (4)Differential, HSTL Clock Inputs K, K; (5)Synchronous Read and Write Operation; (6)Registered Input and Registered Output; (7)Internal Pipeline Latches to Support Late Write; (8)Byte Write Capability(four byte write selects, one for each 9bits); (9)Synchronous or Asynchronous Output Enable; (10)Power Down Mode via ZZ Signal; (11)Programmable Impedance Output Drivers; (12)JTAG 1149.1 Compatible Test Access port; (13)119(7x17)Pin Ball Grid Array Package(14mmx22mm).
Diagrams

(China (Mainland))






