Product Summary
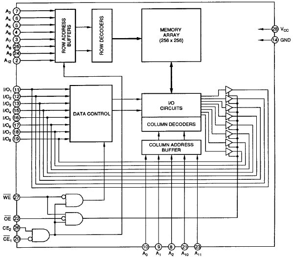
The LH5168-10L is a static RAM organized as 8192*8 bits. It is fabricated using silicon gate CMOS process technology.
Parametrics
LH5168-10L absolute maximum ratings: (1)Supply voltage: -0.3 to 7.0V; (2)Input voltage: -0.5 to VCC+0.5V; (3)Operating temperature: -10 to 70℃; (4)Storage temperature: -55 to 150℃.
Features
LH5168-10L features: (1)8192*8 bit organization; (2)Access times: 80/100ns; (3)Low power consumption; (4)Fully static operation; (5)Three state outputs; (6)single +5V power supply; (7)TTL compatible I/O; (8)Pin compatible to 64k bit EPROM; (9)wide temp. range available.
Diagrams

![]() |
![]() LH5116 |
![]() Other |
![]() |
![]() Data Sheet |
![]() Negotiable |
|
||||
![]() |
![]() LH5116-10 |
![]() |
![]() IC SRAM 16KBIT 100NS 24DIP |
![]() Data Sheet |
![]() Negotiable |
|
||||
![]() |
![]() LH5116-10F |
![]() |
![]() IC SRAM 16KBIT 100NS 24DIP |
![]() Data Sheet |
![]() Negotiable |
|
||||
![]() |
![]() LH5116NA-10 |
![]() |
![]() IC SRAM 16KBIT 100NS 24SOP |
![]() Data Sheet |
![]() Negotiable |
|
||||
![]() |
![]() LH5164A-10LF |
![]() |
![]() IC SRAM 64KBIT 100NS 28DIP |
![]() Data Sheet |
![]() Negotiable |
|
||||
![]() |
![]() LH5164AHN-10L |
![]() |
![]() IC SRAM 64KBIT 100NS 28SOP |
![]() Data Sheet |
![]() Negotiable |
|
||||
(China (Mainland))









