Product Summary
Ther MIG20J103H is an N CHANNEL IGBT.
Parametrics
MIG20J103H absolute maximum ratings: (1)Supply Voltage, VCC: 400V; (2)Collector-Emitter Voltage, VCES: 600V; (3)Collector Current (DC), ±IC: 20A; (4)Collector Power Dissipation, PC: 62W; (5)Junction Temperature, Tj: 150℃; (6)Supply Voltage, VD: 20V; (7)Intput Voltage, VlN: 20V; (8)Foul Output Voltage, Vfo: 20V; (9)Foul Output Current, IfO: 7mA; (10)Operating Temperature, Tc: -20℃ to +100℃; (11)Storage Temperature Range, Tstg: -40℃ to +125℃; (12)Isolation Voltage, VISO: 2500Vrms; (13)Screw Torque: 2N.m.
Features
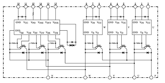
MIG20J103H features: (1)Intelligent Power Module that include IGBT drive circuits, overcurrent, undervoltage lockout, and overtemperature protection.; (2)The Electrodes are Isolated from Case.; (3)High speed type IGBT: Vce (sat) = 2.7V (MAX.); toff=2.0μs (MAX.); trr=0.2μs(MAX.); (4)Outline: TOSHIBA 2-99E1A; (5)Weight: 80g.
Diagrams

![]() |
![]() MIG200J6CMB1W |
![]() Other |
![]() |
![]() Data Sheet |
![]() Negotiable |
|
||||
![]() |
![]() MIG200Q2CSA0X |
![]() Other |
![]() |
![]() Data Sheet |
![]() Negotiable |
|
||||
![]() |
![]() MIG200Q2CSB1X |
![]() |
![]() IPM MOD CMPCT DUAL 1200V 200A |
![]() Data Sheet |
![]() Negotiable |
|
||||
![]() |
![]() MIG20J106L |
![]() Other |
![]() |
![]() Data Sheet |
![]() Negotiable |
|
||||
![]() |
![]() MIG20J106LA |
![]() Other |
![]() |
![]() Data Sheet |
![]() Negotiable |
|
||||
![]() |
![]() MIG25Q806H |
![]() Other |
![]() |
![]() Data Sheet |
![]() Negotiable |
|
||||
(China (Mainland))








