Product Summary
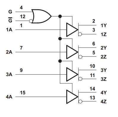
The AM26C311 is a four complementary-output line driver. The AM26C311 is designed to meet the requirements of TIA/EIA -422-B and ITU (formerly CCITT). The 3-state outputs have high-current capability for driving balanced lines, such as twisted-pair or parallel-wire transmission lines, and they provide the high-impedance state in the power-off condition. The enable function is common to all four drivers and offers the choice of an active-high or active-low enable input. BiCMOS circuitry reduces power consumption without sacrificing speed.
Parametrics
AM26C311 absolute maximum ratings: (1)Supply voltage range, VCC: -0.5 V to 7 V; (2)Input voltage range, VI: -0.5 V to VCC +0.5 V; (3)Differential input voltage range, VID: -14 V to 14 V; (4)Output voltage range, VO: -0.5 V to 7 V; (5)Input or output clamp current, IIK or IOK: ±20 mA; (6)Output current, IO: ±150 mA ; (7)VCCcurrent: 200 mA; (8)GND current: -200 mA; (9)Continuous total power dissipation: See Dissipation Rating Table; (10)Storage temperature range, Tstg: -65℃ to 150℃; (11)Lead temperature 1,6 mm (1/16 inch) from case for 10 seconds: 260℃.
Features
AM26C311 features: (1)Meet or Exceed the Requirements of TIA/EIA-422-B and ITU Recommendation V.11; (2)Low Power, ICC= 100 μA Typ; (3)Operate From a Single 5-V Supply; (4)High Speed, tPLH= tPHL= 7 ns Typ; (5)Low Pulse Distortion, tsk(p)= 0.5 ns Typ; (6)High Output Impedance in Power-Off Conditions; (7)Improved Replacement for AM26LS31.
Diagrams

![]() |
![]() AM26C31 |
![]() Other |
![]() |
![]() Data Sheet |
![]() Negotiable |
|
||||||||||||
![]() |
![]() AM26C31C |
![]() Other |
![]() |
![]() Data Sheet |
![]() Negotiable |
|
||||||||||||
![]() |
![]() AM26C31CD |
![]() Texas Instruments |
![]() RS-422 Interface IC Quad Diff |
![]() Data Sheet |
![]()
|
|
||||||||||||
![]() |
![]() AM26C31CDBR |
![]() Texas Instruments |
![]() RS-422 Interface IC Quad Diff Line |
![]() Data Sheet |
![]()
|
|
||||||||||||
![]() |
![]() AM26C31CDBRE4 |
![]() Texas Instruments |
![]() RS-422 Interface IC Quad Diff Line |
![]() Data Sheet |
![]()
|
|
||||||||||||
![]() |
![]() AM26C31CDBRG4 |
![]() Texas Instruments |
![]() RS-422 Interface IC Quad Diff Line Drvr |
![]() Data Sheet |
![]()
|
|
||||||||||||
(China (Mainland))











