Product Summary
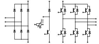
The SKiiP12NAB126V1 is a 3-phase bridge rectifier, brake chopper and 3-phase bridge inverter. The typical applications of the device include inverter up to 10kV/A and typical motor power 5.5kW.
Parametrics
SKIIP12NAB126V1 absolute maximum ratings: (1)VCES: 1200V; (2)On the conditions of Ts=25(70)℃, IC: 28(22)A; (3)On the conditions of tp≤1ms,ICRM: 30A; (4)VGES: ±20V; (5)Tj: -40 to +150℃; (6)If: 26(20)A; (7)On the conditions of Ts=70℃, IFRM: 30A; (8)VRRM: 1600V; (9)On the conditions of tp=10ms, sin 180°, Tj=25℃, i2t: 2400A2s; (10)Itrms: 20A; (11)Tstg: -40 to 125℃; (12)Visol: 2500V.
Features
SKIIP12NAB126V1 features: (1)Fast trench IGBTs; (2)Robust and soft freewheeling diodes in CAL technology; (3)Highly reliable spring contacts for electrical connections; (4)UL recognised file no. E63532.
Diagrams

![]() |
![]() SKiiP 01AC066V1 |
![]() Other |
![]() |
![]() Data Sheet |
![]() Negotiable |
|
||||
![]() |
![]() SKiiP 01NAC066V1 |
![]() Other |
![]() |
![]() Data Sheet |
![]() Negotiable |
|
||||
![]() |
![]() SKIIP13NEL063I |
![]() Other |
![]() |
![]() Data Sheet |
![]() Negotiable |
|
||||
![]() |
![]() SKIIP30NAB06 |
![]() Other |
![]() |
![]() Data Sheet |
![]() Negotiable |
|
||||
![]() |
![]() SKIIP30NAB12T10 |
![]() Other |
![]() |
![]() Data Sheet |
![]() Negotiable |
|
||||
![]() |
![]() SKIIP312GD120-302WT |
![]() Other |
![]() |
![]() Data Sheet |
![]() Negotiable |
|
||||
(China (Mainland))








