Product Summary
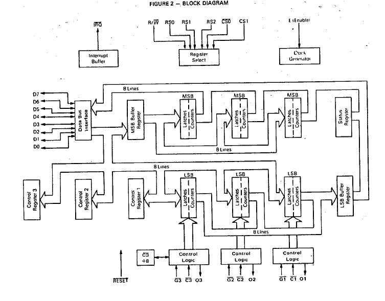
The EF68B50P is a programmable subsystem component of the 6800 family designed to provide variavle system time intervals. The EF68B50P has three 16-bit binary counters, three corresponding control resisters and a status register. These counters are under software control and may be used to cause system interrupts and/or generate output signals. The EF68B50P may be utilized for such tasks as frequency measurements, event counting, interval measuring and similar tasks. The device may be used for square wave generation, gated delay signals, single pulses of controlled duration, and pulse width modulation as well as system interrupt.
Parametrics
EF68B50P absolute maximum ratings: (1)supply voltage: -0.3 to 7.0 V; (2)input voltage: -0.3 to 7.0 V; (3)operating temperature range: 0 to +70 ℃; (4)storage temperature range: -55 to +150 ℃.
Features
EF68B50P features: (1)operates from a single 5 V power supply; (2)fully TTL compatible; (3)single system clock required; (4)selectable prescaler on timer 3 capable of 4 MHz the EF6840, 6 MHz for the EF68A40 and 8 MHz for the EF68B40; (5)programmble interrupts (IRQ) output to MPU; (6)readable down counter indicates counts to go to time-out; (7)selectable gating for frequency or pulse-width comparison; (8)RESET input; (9)three asynchronous external clock and gate/trigger inputs internally synchronized.
Diagrams

| Image | Part No | Mfg | Description | ![]() |
Pricing (USD) |
Quantity | ||||
|---|---|---|---|---|---|---|---|---|---|---|
![]() |
![]() EF68B50P |
![]() STMicroelectronics |
![]() Interface - Specialized DIP-24 ASYNC I/O 2MH |
![]() Data Sheet |
![]() Negotiable |
|
||||
| Image | Part No | Mfg | Description | ![]() |
Pricing (USD) |
Quantity | ||||
![]() |
![]() EF6809P |
![]() STMicroelectronics |
![]() Microprocessors (MPU) High-Perf MPU 1.0MHz |
![]() Data Sheet |
![]() Negotiable |
|
||||
![]() |
![]() EF6821P |
![]() STMicroelectronics |
![]() Peripheral Drivers & Components (PCIs) PIA I/O 1MHz |
![]() Data Sheet |
![]() Negotiable |
|
||||
![]() |
![]() EF6840P |
![]() STMicroelectronics |
![]() Timers & Support Products DIP-28 PROG TMR 1MHz |
![]() Data Sheet |
![]() Negotiable |
|
||||
![]() |
![]() EF6850P |
![]() STMicroelectronics |
![]() Interface - Specialized Async I/O 1.0 MHz |
![]() Data Sheet |
![]() Negotiable |
|
||||
![]() |
![]() EF68B09P |
![]() STMicroelectronics |
![]() Interface - Specialized DIP40 HI-PERF 2MHZ |
![]() Data Sheet |
![]() Negotiable |
|
||||
![]() |
![]() EF68B40P |
![]() STMicroelectronics |
![]() Timers & Support Products DISC BY STM 05/03 DIP-28 PROG TMR 2MHZ |
![]() Data Sheet |
![]() Negotiable |
|
||||
(China (Mainland))









