Product Summary
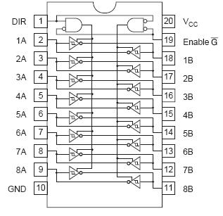
The HD74LS640P is an octal bus transceiver. The HD74LS640P is designed for asynchronous two-way communication between data buses. The device transmits data from the A bus to the B bus or from the B bus to the A bus depending upon the level at the direction control (DIR) input. The enable input (G) can be used to disable the device so that the buses are effectively isolated.
Parametrics
HD74LS640P absolute maximum ratings: (1)Supply voltage, VCC: 7 V; (2)Input voltage, VIN: 7 V; (3)Power dissipation, PT: 400 mW; (4)Storage temperature, Tstg: -65 to +150℃.
Features
HD74LS640P feature: (1)Package Type: DILP-20 pin; (2)Package Code (Previous Code): PRDP0020AC-B (DP-20NEV); (3)Package Abbreviation: P.
Diagrams

![]() |
![]() HD7425FPA |
![]() Other |
![]() |
![]() Data Sheet |
![]() Negotiable |
|
||||
![]() |
![]() HD74AC |
![]() Other |
![]() |
![]() Data Sheet |
![]() Negotiable |
|
||||
![]() |
![]() HD74AC00 |
![]() Other |
![]() |
![]() Data Sheet |
![]() Negotiable |
|
||||
![]() |
![]() HD74AC02 |
![]() Other |
![]() |
![]() Data Sheet |
![]() Negotiable |
|
||||
![]() |
![]() HD74AC04 |
![]() Other |
![]() |
![]() Data Sheet |
![]() Negotiable |
|
||||
![]() |
![]() HD74AC04FP-EL |
![]() Other |
![]() |
![]() Data Sheet |
![]() Negotiable |
|
||||
(China (Mainland))








