Product Summary
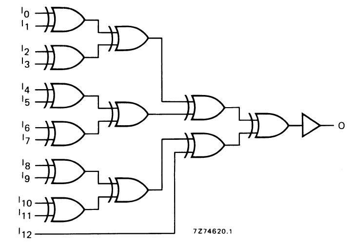
The HEF4531BP is a parity checker/generator with 13 parity inputs (I0 to I12) and a parity output (O). When the number of parity inputs that are HIGH is even, the output is LOW. When the number of parity inputs that are HIGH is odd, the output is HIGH. For words of 12 bits or less, the output can be used to generate either odd or even parity by appropriate termination of the unused parity input(s). For words of 14 or more bits, the HEF4531BP can be cascaded by connecting the output of one device to any parity input of another device.
Parametrics
HEF4531BP absolute maximum ratings: (1)VDD: 5 to 15V; (2)TPLH: 145 to 290ns; (3)Typical extrapolation formula: 118ns + (0.55ns/pF)CL.
Features
HEF4531BP features: (1)16-lead DIL; plastic (SOT38-1); (2)TPLH: 145 to 290ns; (3)Typical extrapolation formula: 118ns + (0.55ns/pF)CL.
Diagrams

![]() |
![]() HEF4000B |
![]() Other |
![]() |
![]() Data Sheet |
![]() Negotiable |
|
||||||||||||
![]() |
![]() HEF4000BP,652 |
![]() NXP Semiconductors |
![]() Gates (AND / NAND / OR / NOR) DUAL 3-INPUT NOR |
![]() Data Sheet |
![]()
|
|
||||||||||||
![]() |
![]() HEF4000BT,652 |
![]() NXP Semiconductors |
![]() Gates (AND / NAND / OR / NOR) DUAL 3-INPUT NOR |
![]() Data Sheet |
![]()
|
|
||||||||||||
![]() |
![]() HEF4000BT,653 |
![]() NXP Semiconductors |
![]() Gates (AND / NAND / OR / NOR) DUAL 3-INPUT NOR |
![]() Data Sheet |
![]()
|
|
||||||||||||
![]() |
![]() HEF4001B |
![]() Other |
![]() |
![]() Data Sheet |
![]() Negotiable |
|
||||||||||||
![]() |
![]() HEF4001BP,652 |
![]() NXP Semiconductors |
![]() Gates (AND / NAND / OR / NOR) QUAD 2-IN NOR GATE |
![]() Data Sheet |
![]()
|
|
||||||||||||
(China (Mainland))









