Product Summary
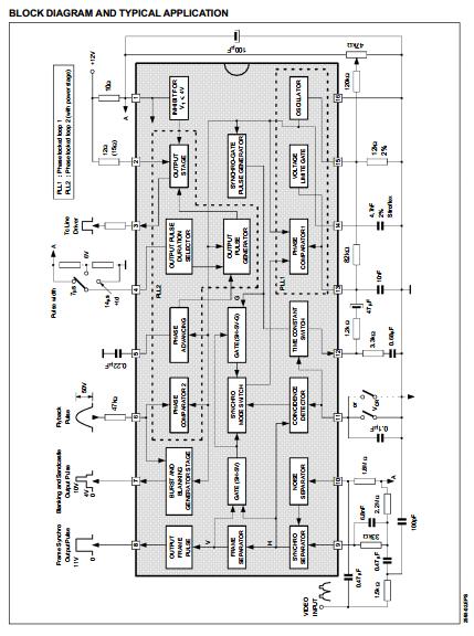
The TDA2593Q is a SYNCHRO and horizontal deflection control. The TDA2593Q is a circuit intended for the horizontal deflection of color TV sets, suppliedwith transistors or SCR’S.
Parametrics
TDA2593Q absolute maximum ratings: (1)V(1–16), Supply Voltage to Pin 1: 13.2 V; (2)V(2–16), Supply Voltage to Pin 2: 18 V; (3)V(4–16), Voltage to Pin 4: 13.2 V; (4)V(9–16), Voltage to Pin 9 ±6V V(10–16) Voltage to Pin 10: ±6V V(11–16), Voltage to Pin 11: 13.2 V; (5)I2M = -I3M, Current ai Pins 2 and 3 (with thyristor): 650 mA; (6)I2M = I3M, Current ai Pins 2 and 3 (with transistor): 400 mA; (7)I(4), Current to Pin 4: 1 mA; (8)I(6), Current to Pin 6: ±10 mA; (9)I(7), Current to Pin 7: -10 mA; (10)I(11), Current to Pin 11: 2 mA; (11)Ptot, Power Dissipation: 800 mW; (12)Toper, Operating Ambient Temperature: -20 to +70℃; (13)Tstg, Storage Temperature: -25 to +125℃.
Features
TDA2593Q features: (1)Line oscillator (two levels switching); (2)Phase comparison between syn-chro-pulse and oscillator voltage, enabled by an internal pulse, (better parasitic immunity); (3)Phase comparison between the fly-back pulses and the oscillator vol-tage; (4)Coincidence detector providing A large hold-in-range; (5)Filter characteristics and gate switching for video recorder ap-plication; (6)Noise gated synchro separator; (7)Frame pulse separator; (8)Blanking and sand castle output pulses; (9)Horizontal power stage phase lag-ging circuit; (10)Switching of control output pulse width; (11)Separated supply voltage output stage allowing direct drive of scr’s circuit; (12)Security circuit makes the output pulse suppressed when low supply voltage.
Diagrams

![]() |
![]() TDA2002 |
![]() Other |
![]() |
![]() Data Sheet |
![]() Negotiable |
|
||||||||||||
![]() |
![]() TDA2003 |
![]() Other |
![]() |
![]() Data Sheet |
![]() Negotiable |
|
||||||||||||
![]() |
![]() TDA2003A |
![]() Other |
![]() |
![]() Data Sheet |
![]() Negotiable |
|
||||||||||||
![]() |
![]() TDA2003AH |
![]() STMicroelectronics |
![]() Audio Amplifiers 10 W car radio audio amplifier |
![]() Data Sheet |
![]()
|
|
||||||||||||
![]() |
![]() TDA2003AV |
![]() STMicroelectronics |
![]() Audio Amplifiers 10 W car radio audio amplifier |
![]() Data Sheet |
![]()
|
|
||||||||||||
![]() |
![]() TDA2003H |
![]() STMicroelectronics |
![]() Audio Amplifiers 10W Car Radio Amp |
![]() Data Sheet |
![]() Negotiable |
|
||||||||||||
(China (Mainland))









