Product Summary
he BPW83 is a high speed and high sensitive PIN photo-diode in a flat side view plastic package. The epoxy package itself is an IR filter, spectrally matched to GaAs or GaAlAs IR emitters (λp ≥ 800 nm). The large active area combined with a flat case gives a high sensitivity at a wide viewing angle. The application of the BPW83 includes High speed photo detector.
Parametrics
BPW83 absolute maximum ratings: (1)Reverse Voltage, VR: 60 V; (2)Power Dissipation, PV: 215 mW; (3)Junction Temperature, Tj: 100℃; (4)Storage Temperature Range, Tstg: -55 to +100℃; (5)Soldering Temperature, Tsd: 260℃; (6)Thermal Resistance Junction/Ambient, RthJA: 350 K/W.
Features
BPW83 features: (1)Large radiant sensitive area (A = 7.5 mm2); (2)Wide angle of half sensitivity φ = ±65℃; (3)High radiant sensitivity; (4)Fast response times; (5)Small junction capacitance; (6)Plastic case with IR filter; (7)Suitable for near infrared radiation; (8)Especially for GaAlAs emitters with λp = 870nm.
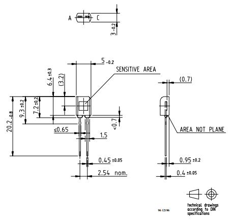
Diagrams

| Image | Part No | Mfg | Description | ![]() |
Pricing (USD) |
Quantity | ||||||||||||
|---|---|---|---|---|---|---|---|---|---|---|---|---|---|---|---|---|---|---|
![]() |
![]() BPW83L |
![]() Vishay Semiconductors |
![]() Photodiodes 60V 215mW 950nm |
![]() Data Sheet |
![]()
|
|
||||||||||||
![]() BPW83 |
![]() Vishay Semiconductors |
![]() Photodiodes 60V 215mW 950nm |
![]() Data Sheet |
![]()
|
|
|||||||||||||
(China (Mainland))









